luminis_collage_clean.png

Engineering Expertise in Renewable Energy

Luminis Energy Consultancy provides independent solar PV design and engineering consultancy services for residential, commercial, and industrial renewable energy projects.

Led by Christian Tuohy Yanez, Mechanical & Manufacturing Engineer, SAA-accredited Solar PV Designer and MSc Renewable & Future Energy candidate at UWA, the consultancy combines over 20 years of engineering experience with specialised renewable energy expertise gained across international industrial and energy sectors.

Our services support direct clients, engineering companies, project developers and solar installers, delivering technically robust solar PV system designs for residential, commercial and industrial applications aligned with Australian Standards.

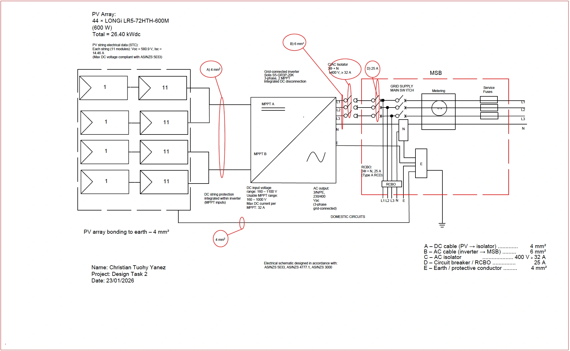
All designs are developed in accordance with relevant Australian Standards including AS/NZS 5033, AS/NZS 4777 and AS/NZS 3000.

Engineering Expertise for Solar & Renewable Energy Solutions

Luminis Energy Consultancy helps homeowners and businesses transition to clean energy through professional solar PV engineering and energy consulting.

We provide system design, feasibility studies, compliance reviews and renewable energy analysis to ensure every solar project is technically sound, financially viable and fully aligned with Australian standards.

Our goal is simple: deliver smarter solar solutions that reduce energy costs and improve sustainability.

Screenshot 2026-03-08 at 7.40.41 pm.png

Solar PV System Design

Professional engineering design of grid-connected solar PV systems for residential and commercial installations.

energy analisis .png

Solar Feasibility Studies

Energy analysis and financial modelling to determine the viability of solar energy systems.

industrial consultancy.png

Commercial & Industrial Solar Consulting

Commercial & Industrial Solar Consulting Engineering support for businesses seeking to reduce electricity costs through solar energy.

girl checking.png

Solar PV Compliance Review

Independent verification of solar system designs to ensure accomplishment of Australian electrical and solar standards.

battery assessment .png

Battery Energy Storage Assessment

We conduct a thorough technical and financial evaluation of the integration of battery storage with solar systems.

industry picture.png

Renewable Energy Project Development

Preliminary engineering studies and technical support for renewable energy projects.

Get in touch

Please provide your details below along with your message and we'll reply as soon as possible.

Thank you! Your submission has been sent successfully.